•
![]() |
産品詳情
耐(nài)腐閥門采用的(de)材料
聚全氟乙(yi)烯 FEP (F46)
适用介質:
任(ren)何有Ji溶劑或試(shì)劑,稀或濃無 機(jī) 酸,堿,酮,芳烴,氯(lǜ)化烴等。
使用溫(wēn)度:
-85~150
特點:力學,電(diàn)性能和化學穩(wěn)定性基本與F4相(xiang)同,但突出優點(diǎn)⭐是📱動擊韌性
高(gao),有Ji好的耐候性(xìng)和輻射性。
聚三(sān)氟乙烯 PCTEF (F3)
适用介(jie)質:
各種有Ji溶劑(ji),無機腐蝕液(氧(yang)化性酸類)
使用(yong)溫度:-195~120
特點:耐熱(rè)性,電性能和化(huà)學穩定性僅次(ci)于F4,機械強💜度,蠕(rú)變🤟性能,硬度比(bǐ)F4好些
聚丙烯: RPP
适(shi)用介質:無機鹽(yan)類的水溶液,無(wu) 機 酸類,堿類的(de)稀或濃溶液。
使(shǐ)用溫度:-14~80
特點:Zui輕(qing)的塑料之一,其(qí)屈服,拉伸和壓(yā)縮強度,硬度均(jun)優于低壓聚乙(yǐ)烯,有很突出的(de)剛性,耐熱性好(hǎo),易成型,優廉。改(gǎi)性後動擊性,流(liu)動性,彎曲彈性(xing)。
聚氯乙烯: 硬質(zhi))PVC
使用溫度(dù):0-55
及粘合(hé),價格較低。
聚四(sì)氯乙烯 PTFE(F4)
使用介(jie)質:強酸,強堿,強(qiáng)氧化劑等。
使用(yong)溫度:-200~180
特點:具有(you)良好的化學穩(wen)定性,有很高的(de)耐熱性,耐寒性(xìng),磨擦系數很低(dī),是Ji好的 自潤滑(huá)材料,但機械性(xing)能較低,流動性(xing)差,熱♊膨脹大。
使用(yong)介質:耐大多數(shu)化學藥品和溶(rong)劑,
使用溫度:-70~100
特(te)點:拉紳強度與(yu)壓縮強度比F4好(hǎo),耐彎折,耐候,耐(nài)輻射🆚。耐光和老(lǎo)化等,Zui大特 點是(shi)韌性好,易成型(xíng)。
聚烯烴:PO
适用介(jiè)質: 各種濃度的(de)酸堿鹽及某些(xiē)有Ji溶劑。
特點:是目前(qian)世界Zui理想的防(fáng)腐材料,已廣泛(fan)用于旋💞轉成型(xing)的大型設備和(he)管道件内襯。
序号 | 零(líng)件名稱 | 灰(huī)鑄鐵 | 超低(di)碳不鏽耐酸鑄(zhù)鋼 | ||||
Z | P8 | R8 | |||||
1 | 閥(fá)體/閥蓋 | A126-C | A216-WCB | A351-CF8 | A351-CF3 | A351-CF3M | |
2 | A351-CF8M | A351-CF3 | |||||
3 | 閥杆 | A182-F304 | A182-F316 | A182-F304L | |||
4 | 襯裡閥(fá)座 | PTFE(F4),PCTEF(F3),FEP(F46),PFA(可(kě)溶F4),PP,PO | |||||
5 | 緊(jin)固銷 | A182-F304 | A182-F316 | A182-F304L | A182-F316L | ||
6 | 填料(liao) | PTFE(F4) | |||||
7 | CF8 | CF8M | CF8 | ||||
8 | 支架(jia) | A216-WCB | A351-CF8 | ||||
緊固(gu)螺栓 | A193-B7 | A193-B8M | |||||
10 | 螺母 | A194-2H | A194-8 | ||||

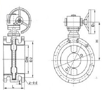
耐腐閥門(men)主要外形和連(lian)接尺寸
公(gong)稱通經 | L | D | D1 | b | Z-φd | |||
NPS(inch) | ||||||||
80 | 3 | 190 | 152.5 | 19 | 4-19 | |||
100 | 4 | 127 | 229 | 190.5 | 157 | 2 | 24 | 8-φ19 |
5 | 254 | 216 | 186 | 2 | 8-φ | |||
6 | 241.5 | 216 | 26 | 8-φ22 | ||||
200 | 8 | 152.4 | 343 | 298.5 | 270 | 2 | 29 | 8-φ22 |
203.2 | 406 | 362 | 2 | 12-φ | ||||
300 | 203.2 | 432 | 2 | 32 | ||||
350 | 14 | 203.2 | 2 | |||||
203.2 | 597 | 470 | 2 | 37 | 16-φ29 | |||
450 | 18 | 635 | 578 | 533 | 2 | |||
500 | 203.2 | 635 | 584 | 2 | 20-φ | |||
600 | 24 | 813 | 692 | 2 | 48 | 20-φ25 | ||
30 | 846 | 813 | 2 | 45 | 44-φ23 | |||
900 | 36 | 304.8 | 1057 | 1009.7 | 972 | 53 | ||
1050 | 42 | 1226 | 1171.4 | 1130 | 2 | 59 | 48-29 | |
1200 | 48 | 381 | 1392 | 1289 | 2 | 65 | ||
上一條(tiao):對夾(jia)蝶閥
下一條:焊接式硬密(mi)封蝶閥
相關(guan)新聞
•
••·›•··›